07 Chrysler 300 Relay Diagram
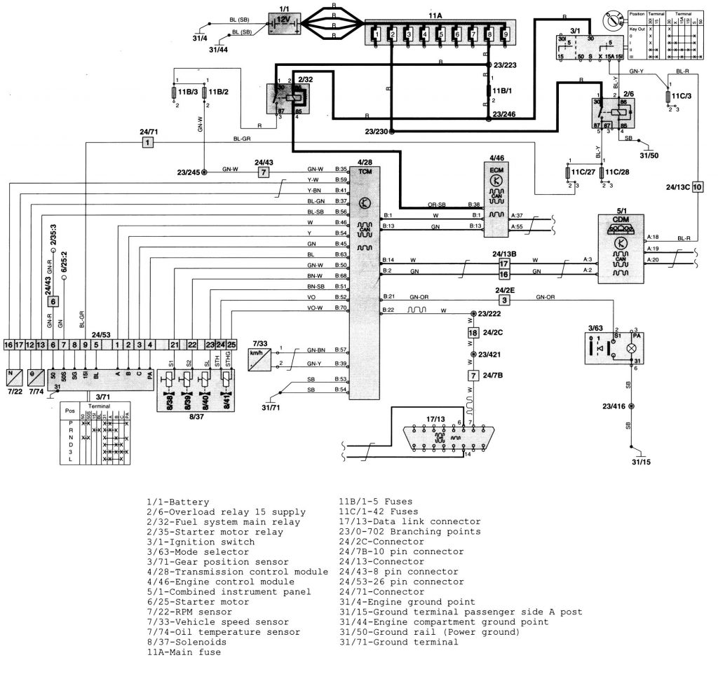
"Chrysler Cruiser 2004 Transmission Fuse Box Block Circuit , Chrysler Prowler Limited 3800 2002 Battery Fuse Box Block , Technical Car Experts Answers everything you need: cooling , Dodge Ram L 1996 Distribution Fuse Box Block , Chevy Silverado 1500 with a 1993 Electrical , Oldsmobile Bravada 1997 Electrical Circuit Wiring Diagram , Sylvan Pontoon 2008 Main Fuse Box Block Circuit Breaker , BMW 735i V6 1989 Fuse Box Block Circuit Breaker Diagram , Dodge Ram Fuel Fuse Box Block Circuit Breaker , BMW K1200GT 2007 Fuse Box Block Circuit Breaker Diagram , No headlights no door locks on my 2004 Chrysler PT cruser, BMW M3 1999 Engine Fuse Box Block Circuit Breaker Diagram , Mercedes Benz Fuse Box Block Circuit Breaker , Need a wiring diagram for a Dodge Dakota 1995 with an , I have a i dont have no dim lights i have , Volvo V70 1999 wiring diagrams transmission controls , Peugeot ACCU Fuse Box Block Circuit Breaker "
















