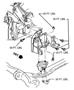
1990 Cadillac Deville Engine Diagram
" Repair Guides Vacuum Diagrams Vacuum Diagrams , Repair Guides, Cadillac DeVille Concours 1995 Engine Compartment , Repair Guides, 1990 Cadillac Fleetwood Blower Motor Relay: I Am Trying to , Repair Guides, 1969 Cadillac Deville Wiring Diagram Wiring Diagram Database, 1996 cadillac deville: I need a instrument panel cluster , 2001 Cadillac Deville DTS 4 6L MFI DOHC HO 8cyl Repair , Motor Mount Replacement: Right Side , Repair Guides Vacuum Diagrams Vacuum Diagrams , A c Relay Location: Exactly Where Is the A c Compressor , 90 Suburban Wiring Diagram Circuit Connection Diagram, Repair Guides, Brake booster vacuum diagram Turbo Dodge Forums : Turbo , service owner manual : November 2012, 2002 Ford Focus ZXW Fuse Box Diagram - Auto Fuse Box Diagram"

















