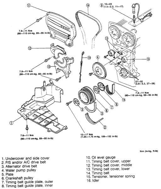
1999 Mazda Protege 1 6 Timing Marks
"TIMING LIGHTS, SOLVED: Timing marks on 1999 mazda protege 1 6 lx Fixya, Ignition Timing, Cylinder Head, I Really Need to Replace the Timing Belt in My Protege , Mazda liter timing chain diagram Fixya, I Really Need to Replace the Timing Belt in My Protege , Genuine OEM Mazda Engine Parts RealMazda, , , , , , , , , "
Best Post
Popular Post
✔ 2013 lexus is250 headlight bulb replacement
✔ 2015 lexus is250 f sport oil filter
✔ Mazda miata for sale used
✔ How much to hire a lamborghini huracan
✔ Lexus dealer near philadelphia
✔ Mazda cx 5 2020 white
✔ Jeep wrangler sport for sale gauteng
✔ 2018 lexus es 350 owners manual
✔ How to make a lego lamborghini aventador
✔ 2006 mazda tribute ecm
✔ Exotic car rental las vegas to grand canyon
✔ Mclaren 570gt price australia
✔ 2004 mazda tribute radiator
✔ Lamborghini gallardo lp550 0-60







