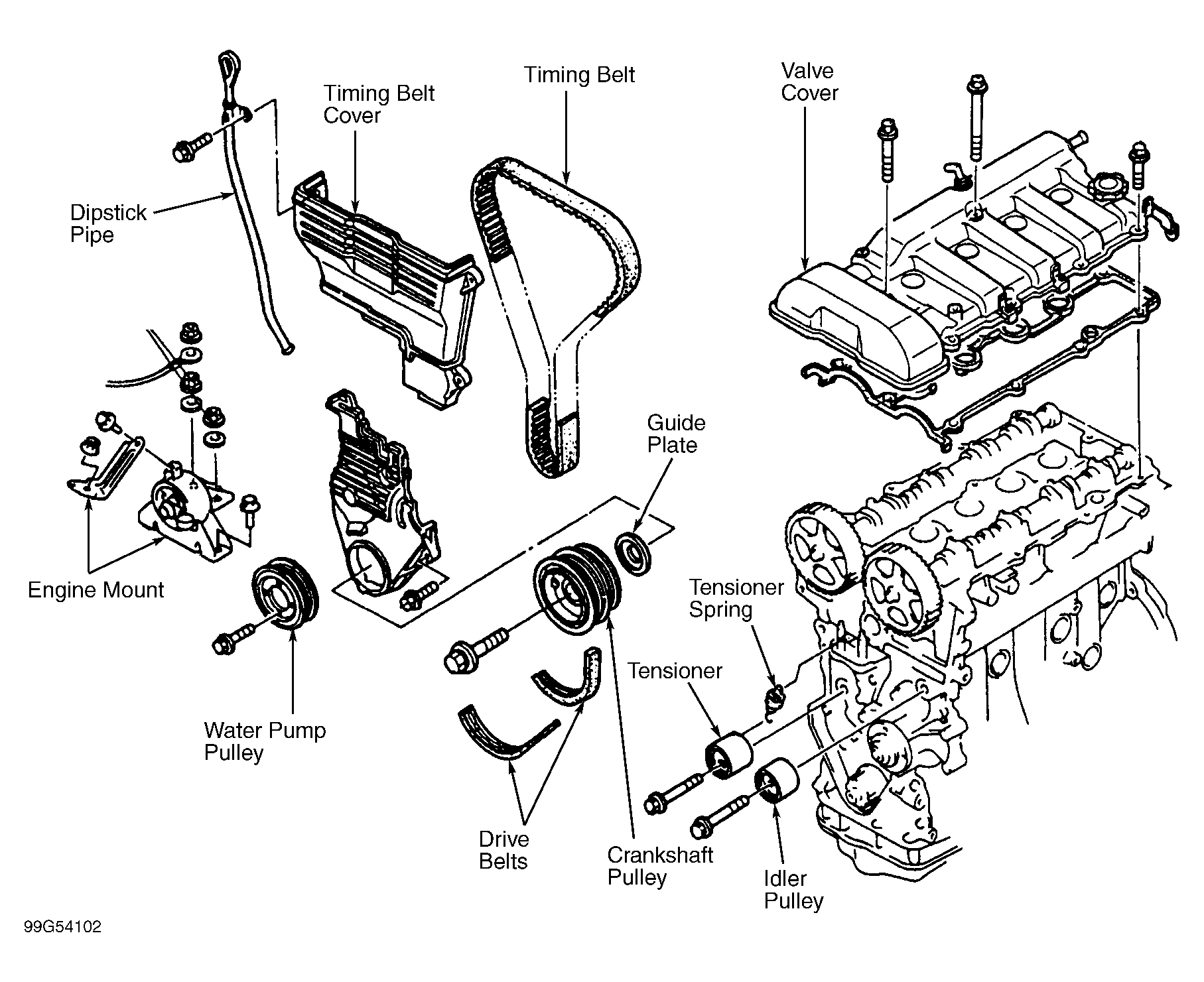
1999 Mazda Protege Belt Diagram
"1999 Mazda Protege Serpentine Belt Routing and Timing Belt , 2000 Mazda Protege Serpentine Belt Routing and Timing Belt , 2003 Mazda Protege Serpentine Belt Routing and Timing Belt , Repair Guides Engine Mechanical Components Accessory , Serpentine Belt Routing and Timing Belt , 2002 Mazda Protege Serpentine Belt Routing and Timing Belt , 2003 Mazda B3000 Serpentine Belt Routing and Timing Belt , 1999 Mazda Protege 1 6L LX Just replaced water pump and , 1997 Mazda Protege Serpentine Belt Routing and Timing Belt , 1998 Mazda Protege Serpentine Belt Routing and Timing Belt , Repair Guides Engine Mechanical Oil Pan AutoZone com, Mazda Mazdamazda Mazda Spotduk, [Diagram To Install Serpentine Belt 2000 Jaguar Xj Series , FORD ESCORT 1996: Parts Module Switch Assembly Valve , , , "













