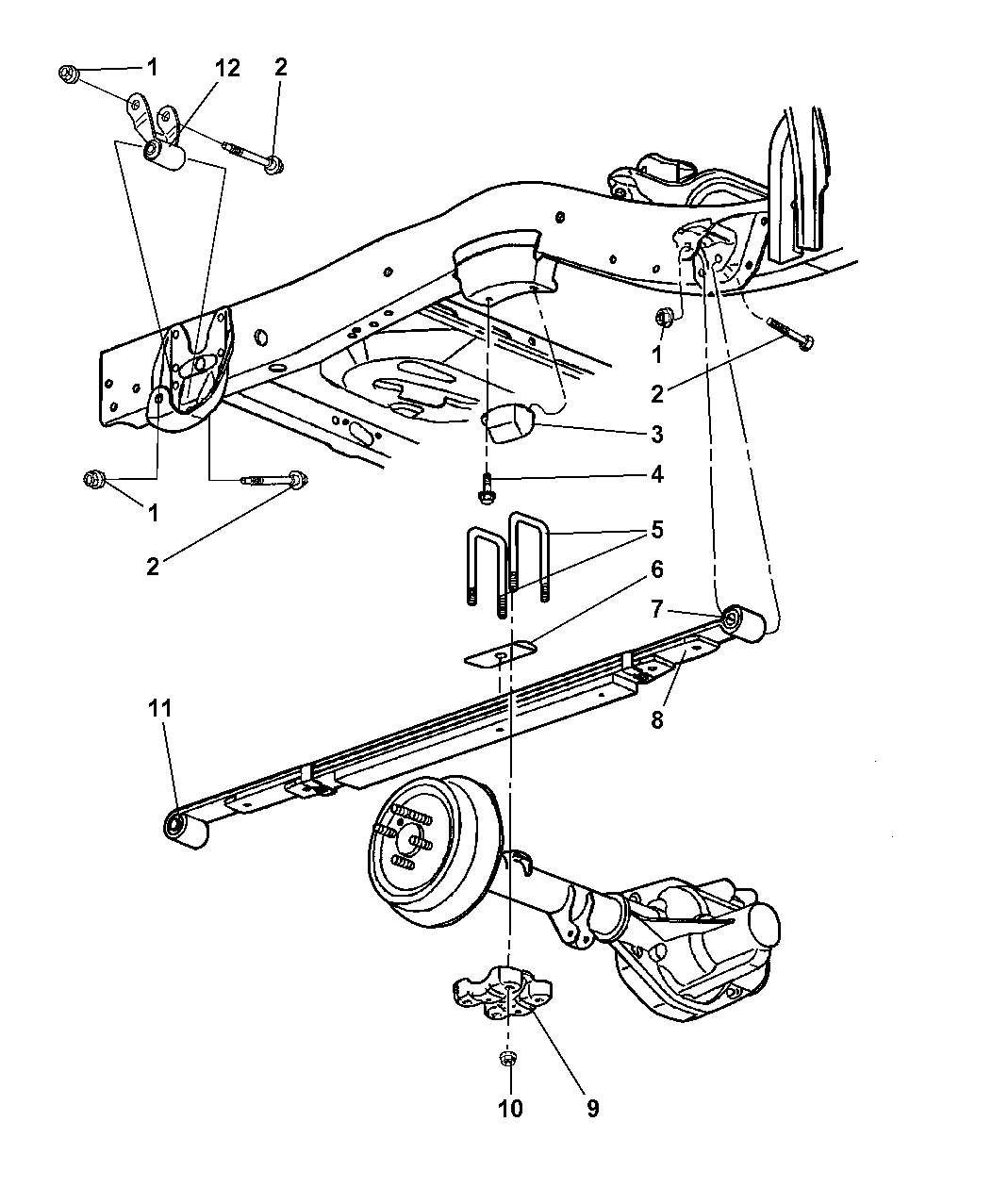
2004 Dodge Dakota Power Steering Pump



"Power Steering Pump Pulley for Dakota Cherokee Pickup , 2002 2008 Dodge Ram L: Replacing the power , 2000 Dakota w 4 7: Service code P 0551 What is the , Repair Guides Power Steering Pump Removal , 2004 Leaking Power Steering and Radiator fluid , Power Steering Pump For Dodge Sprinter 2500 Freightliner , Dodge Intrepid Questions power steering help CarGurus, 52006395 Dodge Reservoir Power steering pump , 2004 Dodge Dakota Bumper Rear Mopar Parts Giant, 10 Power Steering Pump Module Assembly Unit 2 , Power Window Regulator Without Motor for Dodge Dakota , Leaking Power Steering Fluid 97' Dakota 3 9L , Water Pump for Jeep Commander Grand Cherokee Liberty , I need pictures or a diagram on the power steering pump , Timing Chain Installation: V8 Four Wheel Drive Automatic , Repair Guides Engine Mechanical Components Cylinder , P S PUMP HOSES for 2004 Chrysler PT Cruiser"

Power Steering Pump Pulley For Dakota Cherokee Pickup

Power Steering Pump Pulley For Dakota Cherokee Pickup

2002 2008 Dodge Ram 1500 5 7l Replacing The Power

2002 2008 Dodge Ram 1500 5 7l Replacing The Power

2000 Dakota W 4 7 Service Code P 0551 What Is The

2000 Dakota W 4 7 Service Code P 0551 What Is The

Repair Guides Power Steering Pump Removal

Repair Guides Power Steering Pump Removal

2004 Leaking Power Steering And Radiator Fluid

2004 Leaking Power Steering And Radiator Fluid

Power Steering Pump For Dodge Sprinter 2500 Freightliner

Power Steering Pump For Dodge Sprinter 2500 Freightliner

Dodge Intrepid Questions Power Steering Help Cargurus

Dodge Intrepid Questions Power Steering Help Cargurus

52006395 Dodge Reservoir Power Steering Pump

52006395 Dodge Reservoir Power Steering Pump

2004 Dodge Dakota Bumper Rear Mopar Parts Giant

2004 Dodge Dakota Bumper Rear Mopar Parts Giant

10 13 Mazda 3 Power Steering Pump Module Assembly Unit 2

10 13 Mazda 3 Power Steering Pump Module Assembly Unit 2

Power Window Regulator Without Motor For Dodge Dakota

Power Window Regulator Without Motor For Dodge Dakota

Leaking Power Steering Fluid 97 Dakota 3 9l

Leaking Power Steering Fluid 97 Dakota 3 9l

Water Pump For Jeep Commander Grand Cherokee Liberty

Water Pump For Jeep Commander Grand Cherokee Liberty

I Need Pictures Or A Diagram On The Power Steering Pump

I Need Pictures Or A Diagram On The Power Steering Pump

Timing Chain Installation V8 Four Wheel Drive Automatic

Timing Chain Installation V8 Four Wheel Drive Automatic

Repair Guides Engine Mechanical Components Cylinder

Repair Guides Engine Mechanical Components Cylinder

P S Pump Amp Hoses For 2004 Chrysler Pt Cruiser

P S Pump Amp Hoses For 2004 Chrysler Pt Cruiser

1 New Front Wheel Hub Amp Bearing Assembly Dodge Stealth

1 New Front Wheel Hub Amp Bearing Assembly Dodge Stealth

2002 Jeep Grand Cherokee Transmissions Images Karthika

2002 Jeep Grand Cherokee Transmissions Images Karthika

Denlors Auto Blog 187 Blog Archive 187 Jeep Grand Cherokee

Denlors Auto Blog 187 Blog Archive 187 Jeep Grand Cherokee

CTA Link →

sum+=1 -->