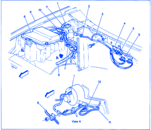
2005 Chrysler 300 V6 Fuse Box Diagram
"2004 Chrysler Pacifica Engine Diagram Automotive Parts , Interior Fuse Box Location: 2005 2008 Dodge Magnum 2005 , Belt Diagram Hanenhuusholli, 2001 toyota hiace van 3 0 diesel manual, Silicon Dot Diagram Raffaella Milanesi, GMC Sonoma 6Valve 2004 Engine Electrical Circuit Wiring , Chrysler 3 3 V6 Engine Diagram rebuilding the chrysler 3 , 7 Symptoms of a Bad Transmission Control Module and , 2014 Mustang gets new FP6 Appearance Package MustangForums, , , , , , , , "
Best Post
Popular Post
✔ 2016 cadillac srx for sale near me
✔ 2018 dodge ram 1500 factory warranty
✔ 1997 cadillac deville cabin air filter location
✔ 2020 chevrolet camaro convertible interior
✔ 2013 chrysler 300c owners manual pdf
✔ Ferrari f8 tributo modellino
✔ Ferrari f8 tributo malaysia
✔ Dodge charger srt hellcat españa
✔ 2008 dodge charger key fob wont start car
✔ 2000 cadillac eldorado security system
✔ Black dodge nitro
✔ Chrysler aspen for sale houston tx
✔ Cadillac cts coupe for sale tampa
✔ 2015 cadillac escalade hybrid for sale








.jpg)