2006 Chrysler 300 Fuse Box Location



"Picture of front fuse box with lid opened Chrysler 300C , Wiper Motor and Wiper Relay where Is , roger vivi ersaks: Rear Fuse Box Diagram, Wipers Wont Work: Wiper Motor and Wiper Relay Where Is the , Permanently reset Fuse 11 this should do the trick , Interior Fuse Box Location: 2005 2005 , Interior Fuse Box Location: 2005 2008 Dodge Magnum 2005 , Nissan Sentra 2000 2006 Fuse Box Diagram Automotive , roger vivi ersaks: 2005 Chrysler Town And Country Fuse Box, I have a 2006 PT Cruiser The all the power windows , Pontiac Grand Prix Blower Relay Electrical , 08 10 Dodge Ram 2500 3500 Diesel TIPM Totally Integrated , Fuse Box Diagram > Chrysler Aspen 2004 2009 , VW Passat 1998 2006 B5 Fuse Box Diagram Automotive , I have an 2005 dodge magnum 3 5 my horn does not work I , TruFiber Hood W I P Page 3 Chrysler 300C Forum: 300C , Got BT The Ultimate Engine Bay Chrysler 300C Forum "

Picture Of Front Fuse Box With Lid Opened Chrysler 300c

Picture Of Front Fuse Box With Lid Opened Chrysler 300c

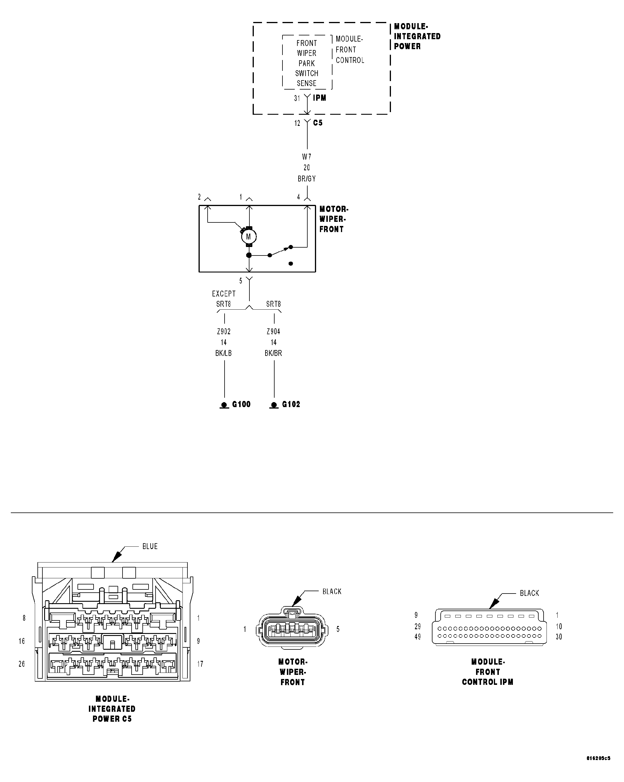
2006 Chrysler 300 Wiper Motor And Wiper Relay Where Is

2006 Chrysler 300 Wiper Motor And Wiper Relay Where Is

Roger Vivi Ersaks 2005 Chrysler 300 Rear Fuse Box Diagram

Roger Vivi Ersaks 2005 Chrysler 300 Rear Fuse Box Diagram

Wipers Wont Work Wiper Motor And Wiper Relay Where Is The

Wipers Wont Work Wiper Motor And Wiper Relay Where Is The

Permanently Reset Fuse 11 This Should Do The Trick

Permanently Reset Fuse 11 This Should Do The Trick

Interior Fuse Box Location 2005 2010 Chrysler 300 2005

Interior Fuse Box Location 2005 2010 Chrysler 300 2005

Interior Fuse Box Location 2005 2008 Dodge Magnum 2005

Interior Fuse Box Location 2005 2008 Dodge Magnum 2005

Nissan Sentra 2000 2006 Fuse Box Diagram Automotive

Nissan Sentra 2000 2006 Fuse Box Diagram Automotive

Roger Vivi Ersaks 2005 Chrysler Town And Country Fuse Box

Roger Vivi Ersaks 2005 Chrysler Town And Country Fuse Box

I Have A 2006 Pt Cruiser The All The Power Windows

I Have A 2006 Pt Cruiser The All The Power Windows

Pontiac Grand Prix 3 8 1999 Blower Relay Electrical

Pontiac Grand Prix 3 8 1999 Blower Relay Electrical

08 10 Dodge Ram 2500 3500 Diesel Tipm Totally Integrated

08 10 Dodge Ram 2500 3500 Diesel Tipm Totally Integrated

Fuse Box Diagram Gt Chrysler Aspen 2004 2009

Fuse Box Diagram Gt Chrysler Aspen 2004 2009

Vw Passat 1998 2006 B5 Fuse Box Diagram Automotive

Vw Passat 1998 2006 B5 Fuse Box Diagram Automotive

I Have An 2005 Dodge Magnum 3 5 My Horn Does Not Work I

I Have An 2005 Dodge Magnum 3 5 My Horn Does Not Work I

Trufiber Hood W I P Page 3 Chrysler 300c Forum 300c

Trufiber Hood W I P Page 3 Chrysler 300c Forum 300c

Got Bt The Ultimate Engine Bay Chrysler 300c Forum

Got Bt The Ultimate Engine Bay Chrysler 300c Forum

Fuse Box Diagram Honda Civic 2001 2006

Fuse Box Diagram Honda Civic 2001 2006

Honda Civic 1996 2000 Owners Manual Automotive Solutions

Honda Civic 1996 2000 Owners Manual Automotive Solutions

CTA Link →

sum+=1 -->