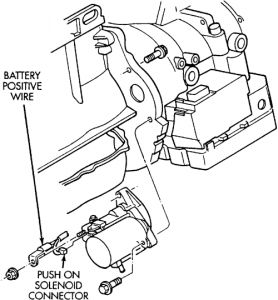
2007 Chrysler Sebring Battery Location
"Battery: How to Remove Replace a Battery Chrysler Sebring , I have a 2008 chrysler sebring convertible I was wondering , Extrication explanation Canadian Firefighter, 2007 Chrysler sebring limited: parked garage starter jumped, Chrysler Sebring Questions where is the fuse box located , 2007 Chrysler Sebring Ltd Turn Signal Relay Location , 2007 Sebring Chrysler for Sale in Grand Prairie TX OfferUp, Repair Guides Components Systems Engine Coolant , Number 8 fuse keeps blowing Today the wife got home ten , CHRYSLER Sebring Convertible , I have a 1996 Chrysler Sebring and my battery light came , 1996 Dodge Stratus Starter: How Do You Remove and Replace , Extrication explanation Canadian Firefighter, Repair Guides, fuse or relay F150online Forums, , "














