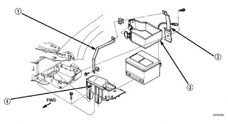
2008 Chrysler Sebring Battery
"2006 Chrysler Sebring Battery: 2006 Chrysler Sebring Where , Battery: How to Remove Replace a Battery Chrysler Sebring , Repair Guides Component Locations Egr Valve , How do i replace the entire headlight assembly on a 2007 , I have 2007 Sebring and I can notget it to shift the , Repair Guides Components Systems Engine Coolant , Repair Guides Components Systems Output Shaft , Repair Guides Component Locations Egr Valve , Chrysler Aspen 2006 2009 fuse box diagram Auto Genius, Repair Guides Water Pump Removal Installation , Buy 2007 2008 Chrysler Crossfire , Replace Ambient Air Sensor myself P0073 Chrysler Forum , Repair Guides, How to Overide Sentry Key Stater Problem JK Forum com , Image: 2005 Chrysler Crossfire 2 door Coupe SRT6 Trunk , 2000 2008 JEEP CHEROKEE WRANGLER ANTENNA ADAPTER CHA10 eBay, Kit Foster's CarPort Blog Archive Mr Merks Goes to Motown"

















