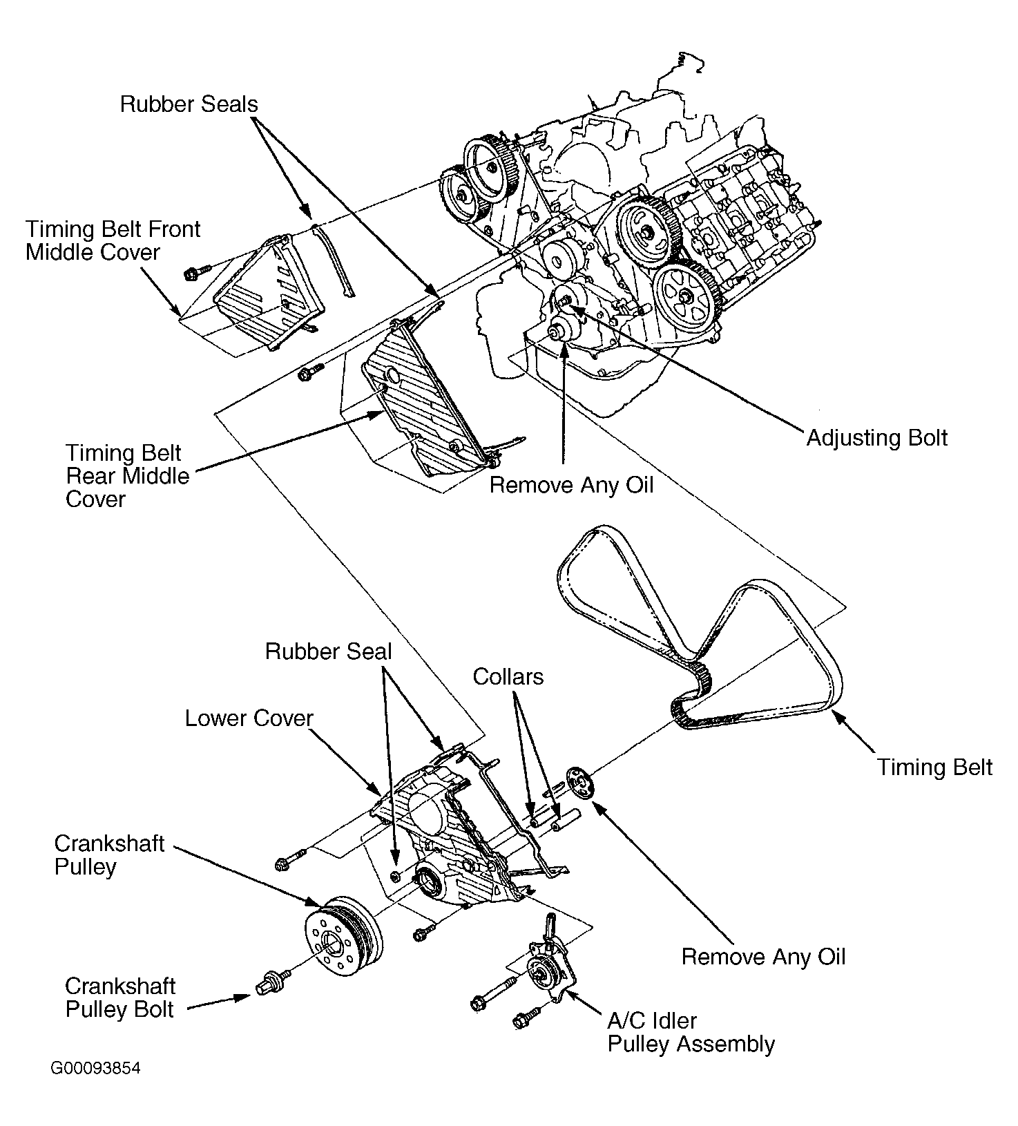
2009 Chrysler Aspen Service Manual
"CHRYSLER ASPEN 2007 2009 REPAIR SERVICE MANUAL Download , Chrysler Aspen Service Repair Manual Download Info , All Chrysler Aspen Parts Price Compare, [2009 Chrysler Aspen Parking Brake Repair] 2009 Chrysler , Hella H71071152 Chevrolet Camaro 2012 , All Chrysler Aspen Parts Price Compare, Service manual [How To Change Cabin Filter 2009 Dodge , Service manual [How To Change Shift Solenoids On A 2001 , [How To Change Shift Interlock Solenoid 2005 Dodge Ram , [2007 Gmc Sierra 1500 Ign Lock Removal] Service Manual , Service manual [Honda Hood Release Cable Latch Handle , [2003 Acura Nsx Timing Belt Manual] 2002 Acura Nsx , , , , , "
Best Post
Popular Post
✔ 2010 dodge ram 1500 upgrades
✔ 2019 chevy cruze engine
✔ 2010 ferrari california transmission
✔ Chevrolet service san diego
✔ 2019 ferrari 488 white
✔ Hampton inn dodge city ks
✔ Dwight yoakam guitars and cadillacs chords
✔ Bob howard chevrolet collision center
✔ The cadillac three i'm southern
✔ 2009 dodge ram 1500 intake manifold
✔ 1990 cadillac deville mpg
✔ Maisto supercar collection ferrari f40
✔ Ed morse cadillac fletcher
✔ Dodge charger 2018 exhaust sound











