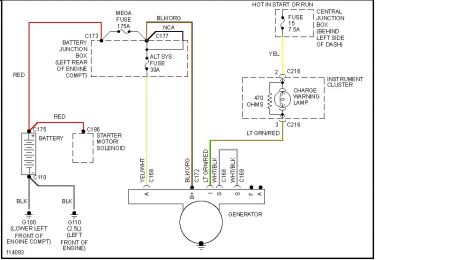
2010 Mazda 6 No Start
"Mazda RX 8 2009 Need for Speed Wiki FANDOM powered , Mazda interior Autocar, Mazda v6 AEM Intake YouTube, Yumi Need for Speed Wiki Fandom powered by Wikia, 2014 Mazda2 Inside Mazda, HONDA CIVIC AUTOMATIC , Range Rover Sport L494 Autobiography Style Start Stop , Used Mercedes Benz E 350 Brabus Brabus for , 1987 Mazda B6 Engine YouTube, Mazda Mazdaspeed3 Need for Speed Wiki Fandom powered , Mazda Demio 3L Auto Scarlet Red YouTube, YouTube, 2008 2013 Nissan Rogue Custom Leather Upholstery, 2000 Ford Ranger Main Fuse at Junction Box, Ford 1970 Arkansas Cars for sale, V Ling: 01 08, Sparky's Answers 1997 Maxima Code P0340 No Start or "
Best Post
Popular Post
✔ 2010 jeep wrangler x review
✔ Durango jeep rentals
✔ North park lexus dominion jobs
✔ 1999 lexus es300 headlight bulb size
✔ Lexus compact suv hybrid
✔ Lexus gs 350 f sport msrp
✔ 2010 land rover lr4 maintenance schedule
✔ 2000 lexus gs300 radiator
✔ Park assist land rover discovery
✔ 2006 lexus is350 insurance cost
✔ 2015 lexus is250 f sport fuse box diagram
✔ Used mazda cx 3 grand touring near me
✔ Youtube mclaren mp4-12c sound
✔ 2016 land rover lr4 lux
















