Dodge Ram 1500 Fuel Pump



"04 07 Dodge Ram New Fuel Pump Level Unit , Fuel Gauge Not Working After Pump Replacement, How to Install E7186M Fuel Pump Module Assembly in a 2004 , OE High Pressure CP4 Pump Bosch NEW 2014 , Dodge Ram Van Questions how to repair a 1992 dodge ram , 2003 Dodge Ram 2500 Ecm Wiring Diagram Wiring Diagram by , OEM ESIM EVAP SYSTEM INTEGRITY MODULE SEAL 07 17 RAM , Repair Guides Specifications Torque Specifications , Dodge Steps Up! Kawasaki Teryx Forum, Tough Country Custom Traditional Front Bumper Dodge 1996 , S B Intakes Now Available For the Ram 1500 EcoDiesel , Tough Country Custom Deluxe Rear Dodge 2003 09 2500 , Tough Country Deluxe Full Length Dually Running Boards , Bushwacker Fender Flares Dodge 2002 08 1500 2003 09 , Sterling Grille Dodge 2003 09 Ram Trucks, Recon Cab Roof Lights Dodge 2003 12 Ram Clear, Tough Country Deluxe Full Length Running Boards Chevy GMC "

04 07 Dodge Ram 1500 2500 3500 New Fuel Pump Level Unit

04 07 Dodge Ram 1500 2500 3500 New Fuel Pump Level Unit

Fuel Gauge Not Working After Pump Replacement

Fuel Gauge Not Working After Pump Replacement

How To Install E7186m Fuel Pump Module Assembly In A 2004

How To Install E7186m Fuel Pump Module Assembly In A 2004

Oe High Pressure Cp4 Pump Bosch New 2014 2016 Ram 1500

Oe High Pressure Cp4 Pump Bosch New 2014 2016 Ram 1500

Dodge Ram Van Questions How To Repair A 1992 Dodge Ram

Dodge Ram Van Questions How To Repair A 1992 Dodge Ram

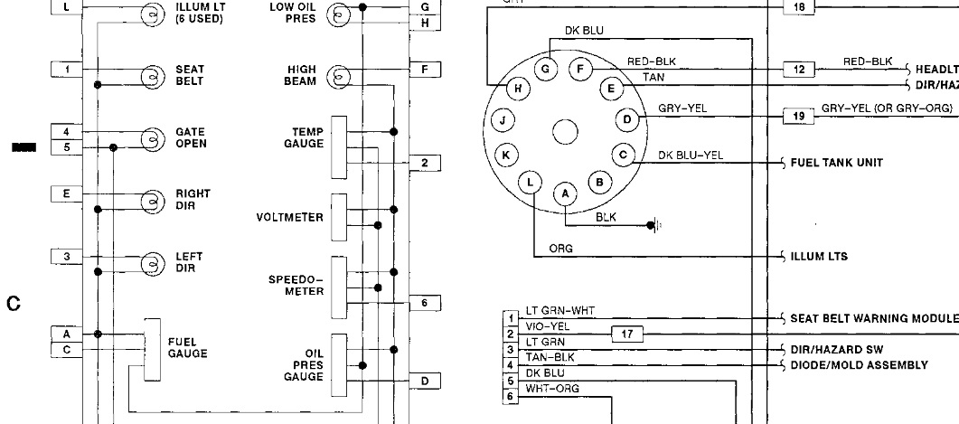
2003 Dodge Ram 2500 Ecm Wiring Diagram Wiring Diagram By

2003 Dodge Ram 2500 Ecm Wiring Diagram Wiring Diagram By

Oem Esim Evap System Integrity Module Amp Seal 07 17 Ram

Oem Esim Evap System Integrity Module Amp Seal 07 17 Ram

Repair Guides Specifications Torque Specifications

Repair Guides Specifications Torque Specifications

Dodge Steps Up Kawasaki Teryx Forum

Dodge Steps Up Kawasaki Teryx Forum

Tough Country Custom Traditional Front Bumper Dodge 1996

Tough Country Custom Traditional Front Bumper Dodge 1996

S Amp B Intakes Now Available For The Ram 1500 Ecodiesel

S Amp B Intakes Now Available For The Ram 1500 Ecodiesel

Tough Country Custom Deluxe Rear Dodge 2003 09 2500

Tough Country Custom Deluxe Rear Dodge 2003 09 2500

Tough Country Deluxe Full Length Dually Running Boards

Tough Country Deluxe Full Length Dually Running Boards

Bushwacker Fender Flares Dodge 2002 08 1500 2003 09

Bushwacker Fender Flares Dodge 2002 08 1500 2003 09

Sterling Grille Dodge 2003 09 Ram Trucks

Sterling Grille Dodge 2003 09 Ram Trucks

Recon Cab Roof Lights Dodge 2003 12 Ram Clear

Recon Cab Roof Lights Dodge 2003 12 Ram Clear

Tough Country Deluxe Full Length Running Boards Chevy Gmc

Tough Country Deluxe Full Length Running Boards Chevy Gmc

Tough Country Deluxe Cab Length 4 Step Bars Chevy Gmc

Tough Country Deluxe Cab Length 4 Step Bars Chevy Gmc

N Fab Nerf Steps Ford 1987 97 F 250 Amp F 350 Crew Cab

N Fab Nerf Steps Ford 1987 97 F 250 Amp F 350 Crew Cab

CTA Link →

sum+=1 -->