Dodge Ram 2500 Wheel Bearing Replacement



"Dodge Ram Front Wheel Bearing Failure and Replacement Part , 2007 Dodge ram 2500 front hub bearing replacement please , Dodge Ram Front Wheel Bearing Failure and Replacement Part , dodgemanuals Torque King 4x4, Dodge Ram Front Wheel Bearing Failure and Replacement Part , 1994 Dodge Ram 2500 Rear Wheel Seal Replacement YouTube, 4x4 dodge ram 3500 front rotor removal ebc pads and rotor , TIMKEN HA590166 Front Wheel Hub Bearing LH or RH for Ram , Amazon com: Dodge Ram Front Hub Bearing To , Dodge Ram INNER WHEEL BEARING SEAL FOR REAR , Tires Wheels Parts :: Wheels Rims :: Wheel Hub , 2PCS FRONT WHEEL HUB BEARING ASSEMBLY for 2000 2002 Dodge , 2002 Dodge Ram 1500 Rear Axle Bearing Replacement2wd 5 9L, dodge Ram 2500 4x4 Steering Upgrade stabilizer , Greasable Front Wheel Bearings Dodge Cummins Diesel Forum, Wheel Hub and Bearing Replacement OEM Quality Parts , BMW Z3 Wheel Speed Sensor Replacement 1996 2002 "

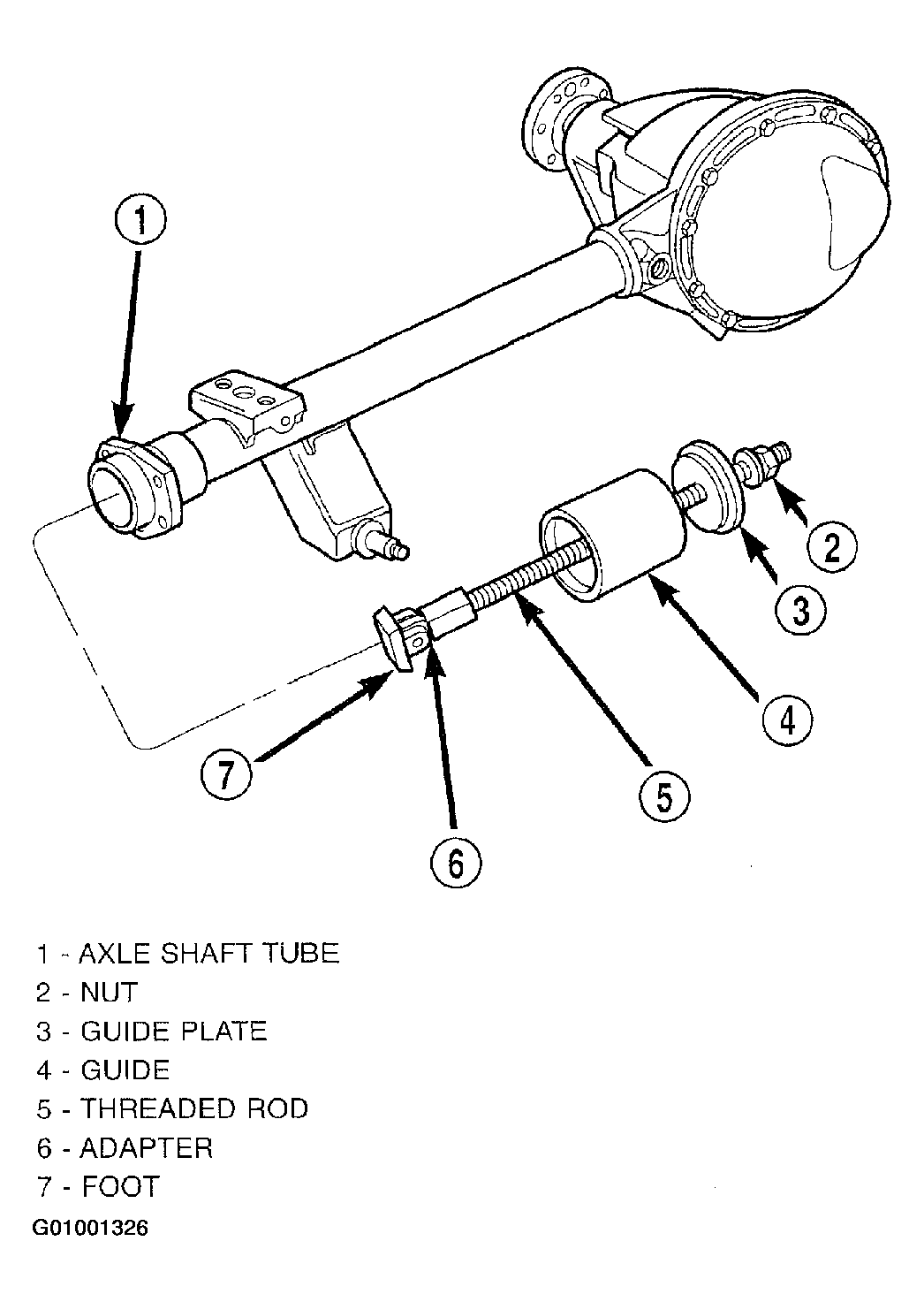
Dodge Ram Front Wheel Bearing Failure And Replacement Part

Dodge Ram Front Wheel Bearing Failure And Replacement Part

2007 Dodge Ram 2500 Front Hub Bearing Replacement Please

2007 Dodge Ram 2500 Front Hub Bearing Replacement Please

Dodge Ram Front Wheel Bearing Failure And Replacement Part

Dodge Ram Front Wheel Bearing Failure And Replacement Part

Dodgemanuals Torque King 4x4

Dodgemanuals Torque King 4x4

Dodge Ram Front Wheel Bearing Failure And Replacement Part

Dodge Ram Front Wheel Bearing Failure And Replacement Part

1994 Dodge Ram 2500 Rear Wheel Seal Replacement Youtube

1994 Dodge Ram 2500 Rear Wheel Seal Replacement Youtube

4x4 Dodge Ram 3500 Front Rotor Removal Ebc Pads And Rotor

4x4 Dodge Ram 3500 Front Rotor Removal Ebc Pads And Rotor

Timken Ha590166 Front Wheel Hub Amp Bearing Lh Or Rh For Ram

Timken Ha590166 Front Wheel Hub Amp Bearing Lh Or Rh For Ram

Amazon Com Dodge Ram 1500 2500 3500 Front Hub Bearing To

Amazon Com Dodge Ram 1500 2500 3500 Front Hub Bearing To

Dodge Ram 1500 2500 3500 Inner Wheel Bearing Seal For Rear

Dodge Ram 1500 2500 3500 Inner Wheel Bearing Seal For Rear

Tires Wheels Amp Parts Wheels Amp Rims Wheel Hub

Tires Wheels Amp Parts Wheels Amp Rims Wheel Hub

2pcs Front Wheel Hub Bearing Assembly For 2000 2002 Dodge

2pcs Front Wheel Hub Bearing Assembly For 2000 2002 Dodge

2002 Dodge Ram 1500 Rear Axle Bearing Replacement2wd 5 9l

2002 Dodge Ram 1500 Rear Axle Bearing Replacement2wd 5 9l

131 1003 03 Dodge Ram 2500 4x4 Steering Upgrade Stabilizer

131 1003 03 Dodge Ram 2500 4x4 Steering Upgrade Stabilizer

Greasable Front Wheel Bearings Dodge Cummins Diesel Forum

Greasable Front Wheel Bearings Dodge Cummins Diesel Forum

Wheel Hub And Bearing Replacement Oem Quality Parts

Wheel Hub And Bearing Replacement Oem Quality Parts

Bmw Z3 Wheel Speed Sensor Replacement 1996 2002

Bmw Z3 Wheel Speed Sensor Replacement 1996 2002

How To Remove Sliding Door Cable 2010 Bmw Z4 Bmw E60 5

How To Remove Sliding Door Cable 2010 Bmw Z4 Bmw E60 5

Lester E Series 36v 25a Scr Battery Charger Mdl 25940 150

Lester E Series 36v 25a Scr Battery Charger Mdl 25940 150

Honeywell 3800r Handheld Barcode Scanner Bar Code Reader W

Honeywell 3800r Handheld Barcode Scanner Bar Code Reader W

CTA Link →

sum+=1 -->