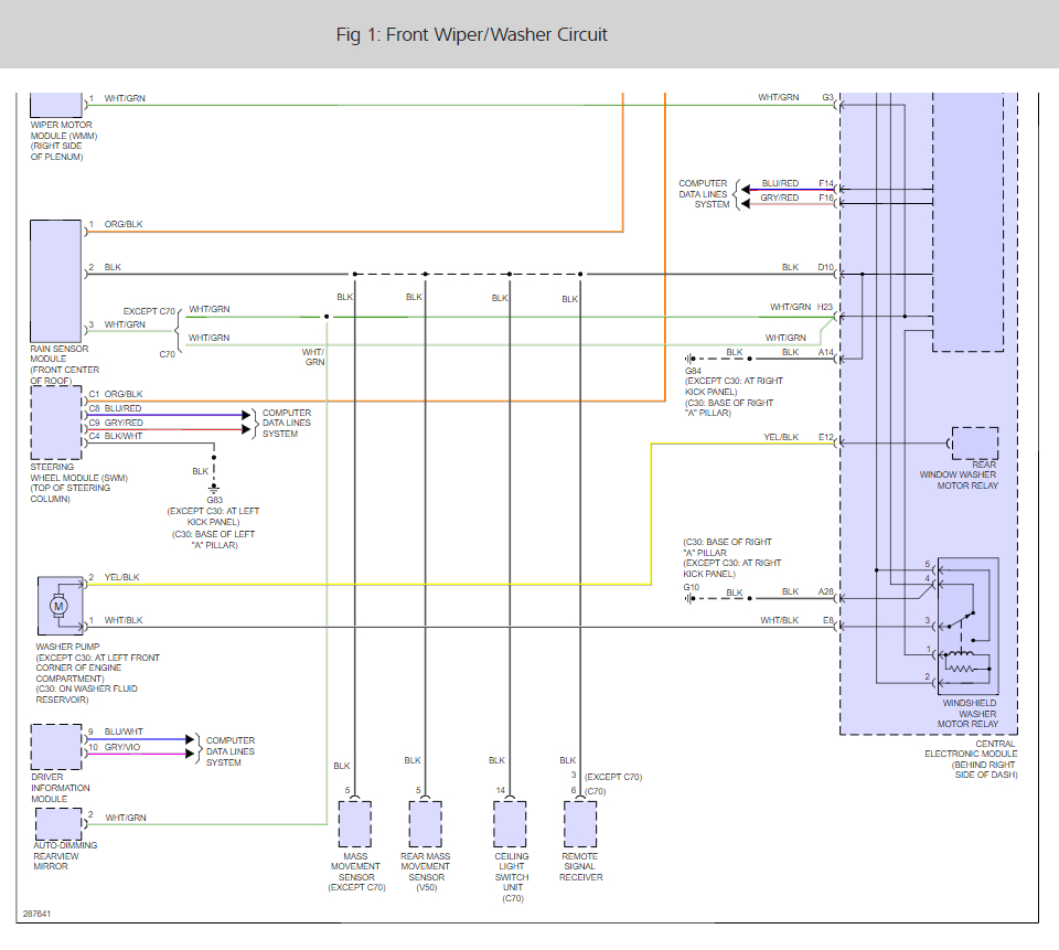
Volvo Xc70 2008 Fuse Box
"Volvo V70 XC70 fuses and relays location YouTube, Volvo XC70 2004 fuse box diagram Auto Genius, Mercury Mystique Pictures posters news and videos on , Volvo S80 mk1 First Generation; 2008 fuse box diagram , 2008 Volvo S60, Fuse Box Diagram > Volvo V70 XC70 2011 2016 , Volvo Penta Fuel Pump Wiring Diagram 4 3 Relays Part No , 2007 Volvo S40, The right front brake started to bind and ABS light was on , 30659046 Relay Fuse Box Start Stop High Current High , Diagram Of 2010 Ford Focus Fuse Box Wiring images, Wipers Will Not Work: Wipers Do Not Work What Is Going On , , , , , "
Best Post
Popular Post
✔ Electric jeep conversion
✔ Rolls royce rr phantom 1 1925
✔ 1998 volvo s70 key replacement
✔ Rolls royce ghost mansory price
✔ Mini cooper rear windshield wiper fluid
✔ Xe mini cooper c?
✔ Renault clio williams rims
✔ Volvo 880 for sale
✔ Mini cooper 2002 no dash lights
✔ Renault megane 2019 accessories
✔ Mini cooper s bike rack
✔ Subaru crosstrek manual transmission
✔ Volvo v70r for sale usa
✔ Rolls royce sport 2008











